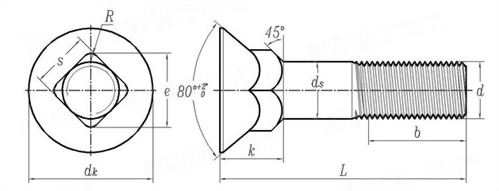
Flat Head Plow Bolt
ZI EA Factory is a professional screw manufacturer in Taiwan. ZI EA Factory is your best choice when you're looking for Taiwan Cup Head Square Neck Bolts Manufacturer, Taiwan Cup Head Square Neck Bolts Supplier, Cup Head Square Neck Bolts Manufacturer.